精密壓力真空表尺寸
為了方便您在設計、安裝、使用過程中的應用,本頁為您提供一組YZB-150B系列精密壓力真空表外形尺寸圖。適用于西安高精密儀表廠生產YZB-150B精密壓力真空表尺寸,其它廠家同型號產品可參照本尺寸圖。 本尺寸圖按照精密壓力真空表的不同安裝結構型式分別進行的圖樣尺寸標注,共4幅相應精密壓力真空表尺寸圖。
基型 精密壓力真空表尺寸圖
Precision pressure vacuum gauge dimensions
(圖一)基本型式【直接安裝式】精密壓力真空表尺寸
ZT型 精密壓力真空表尺寸圖
ZT-type precision pressure vacuum gauge dimensions
(圖二)軸向前帶邊安裝結構型式【軸向嵌裝式】尺寸
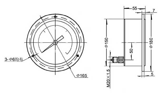
T型 精密壓力真空表尺寸圖
T-type precision pressure vacuum gauge dimensions
(圖三)徑向后帶邊安裝結構型式【徑向凸裝式】尺寸
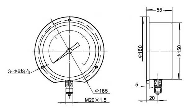
TQ型 精密壓力真空表尺寸圖
TQ-type precision pressure vacuum gauge dimensions
(圖四)徑向前帶邊安裝結構型式【徑向嵌裝式】尺寸



