精密真空表尺寸圖
本頁為您提供一組精密真空表外形尺寸圖,分別按 基型、軸向嵌裝式、徑向凸裝式、徑向嵌裝式的不同安裝結構型式進行外形尺寸標注,所標注的外形安裝尺寸符合《GB/T 1227-2002》3.3.6條款規定。可作為設計、選型參考...
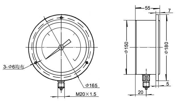
直接安裝式(基型)精密真空表尺寸圖
Direct mount (base type) precision vacuum gauge dimensions
(圖一)基本型式【直接安裝式】精密真空表尺寸
軸向嵌裝式(軸向前帶邊)精密真空表尺寸圖
Built-in axial direction (axial side of the former band) precision vacuum gauge dimensions
(圖二)軸向前帶邊安裝結構型式【軸向嵌裝式】精密真空表尺寸
徑向凸裝式(徑向后帶邊)精密真空表尺寸圖
Radial-mounted convex (radial side after the band) precision vacuum gauge dimensions
(圖三)徑向后帶邊安裝結構型式【徑向凸裝式】精密真空表尺寸
徑向嵌裝式(徑向前帶邊)精密真空表尺寸圖
Built-in radial (radial side of the former band) precision vacuum gauge dimensions
(圖四)徑向前帶邊安裝結構型式【徑向嵌裝式】精密真空表尺寸


